Описание
Шаговые двигатели серии KVM для экстремальных условий
Обзор:
Шаговые двигатели серии KVM специально разработаны для работы в экстремальных условиях, включая вакуум, криогенные температуры, высокие температуры и радиационное воздействие. Они используют специальные материалы и передовые технологии, что делает их идеальным выбором для биомедицины, полупроводникового производства, научных исследований и общей автоматизации.
Ключевые особенности:
-
Рабочая среда: вакуум, криогенные и высокие температуры, радиация
-
Вакуум: до 10⁻⁷ Па
-
Температурный диапазон: от -196 °C до +200 °C
-
Стойкость к радиации: до 10⁶ Gy
-
Фланцы двигателя: 28, 42, 57, 86 мм (Nema 11/17/23/34)
-
Удерживающий момент: от 0,04 до 4,4 Н·м
-
Базовый шаговый угол: 1,8° ±5%
-
Смазка: консистентная или сухая
-
Дополнительно:
-
Обратная связь с резольвером
-
Безопасный тормоз
-
Двойной вал или модифицированный вал
-
Параметры и опции:
-
Безопасный тормоз
-
Обратная связь с резольвером
-
Выходной вал винта
-
Маховик
-
Задний вал
Применение:
-
Биомедицина
-
Полупроводниковое производство
-
Производство 3C (компьютеры, коммуникации, потребительская электроника)
-
Научные приборы
-
Вакуумное оборудование
-
Ядерная энергетика
-
Военная и аэрокосмическая промышленность
-
Испытания автомобильных компонентов
-
Общая автоматизация
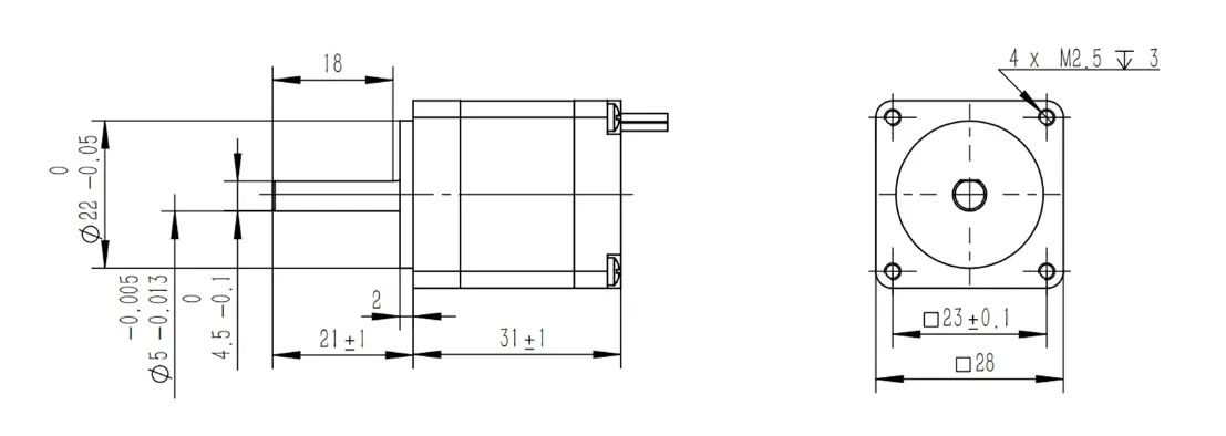
Технические характеристики – KVM2832
| Параметр | Значение |
|---|---|
| Фланец | 28 мм |
| Длина двигателя | 32 мм |
| Ток (RMS) | 0,4 A |
| Сопротивление | 4,6 Ω |
| Индуктивность | 3,41 мГн |
| Удерживающий момент | 0,04 Н·м |
| Инерция ротора | 8 г·см² |
| Масса | 0,15 кг |
| Выводы | 4 проволочных вывода |

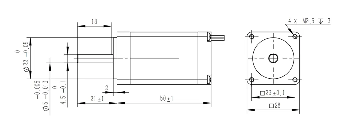
Технические характеристики – KVM2851
| Параметр | Значение |
|---|---|
| Фланец | 28 мм |
| Длина двигателя | 51 мм |
| Ток (RMS) | 0,5 A |
| Сопротивление | 7,49 Ω |
| Индуктивность | 7,62 мГн |
| Удерживающий момент | 0,10 Н·м |
| Инерция ротора | 19 г·см² |
| Масса | 0,24 кг |
| Выводы | 4 проволочных вывода |

Технические характеристики – KVM4248
| Параметр | Значение |
|---|---|
| Фланец | 42 мм |
| Длина двигателя | 48 мм |
| Ток (RMS) | 1,1 A |
| Сопротивление | 1,84 Ω |
| Индуктивность | 3,05 мГн |
| Удерживающий момент | 0,40 Н·м |
| Инерция ротора | 76 г·см² |
| Масса | 0,51 кг |
| Диаметр кабеля | 4,5 мм |

Технические характеристики – KVM4260
| Параметр | Без вакуума | В вакууме |
|---|---|---|
| Фланец | 42 мм | 42 мм |
| Длина двигателя | 60 мм | 60 мм |
| Ток (RMS) | 1,4 A | 1,1 A |
| Сопротивление | 2,31 Ω | 2,31 Ω |
| Индуктивность | 4,45 мГн | 4,45 мГн |
| Удерживающий момент | 0,58 Н·м | 0,50 Н·м |
| Инерция ротора | 108 г·см² | 108 г·см² |
| Масса | 0,63 кг | 0,63 кг |
| Диаметр кабеля | 4,5 мм | 4,5 мм |

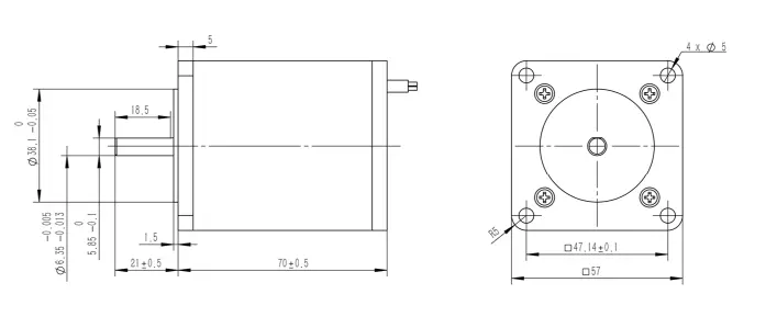
Технические характеристики – KVM5770
| Параметр | Без вакуума | В вакууме |
|---|---|---|
| Фланец | 57 мм | 57 мм |
| Длина двигателя | 70 мм | 70 мм |
| Ток (RMS) | 2,7 A | 1,9 A |
| Сопротивление | 1,15 Ω | 1,15 Ω |
| Индуктивность | 3,32 мГн | 3,32 мГн |
| Удерживающий момент | 0,97 Н·м | 0,80 Н·м |
| Инерция ротора | 180 г·см² | 180 г·см² |
| Масса | 1,05 кг | 1,05 кг |
| Диаметр кабеля | 4,5 мм | 4,5 мм |

Технические характеристики – KVM5786
| Параметр | Без вакуума | В вакууме |
|---|---|---|
| Фланец | 57 мм | 57 мм |
| Длина двигателя | 86 мм | 86 мм |
| Ток (RMS) | 2,7 A | 1,9 A |
| Сопротивление | 1,43 Ω | 1,43 Ω |
| Индуктивность | 4,05 мГн | 4,05 мГн |
| Удерживающий момент | 1,2 Н·м | 0,96 Н·м |
| Инерция ротора | 228 г·см² | 228 г·см² |
| Масса | 1,28 кг | 1,28 кг |
| Диаметр кабеля | 4,5 мм | 4,5 мм |

Технические характеристики – KVM86128
| Параметр | Без вакуума | В вакууме |
|---|---|---|
| Фланец | 86 мм | 86 мм |
| Длина двигателя | 128 мм | 128 мм |
| Ток (RMS) | 6,0 A | 4,28 A |
| Сопротивление | 0,99 Ω | 0,73 Ω |
| Индуктивность | 5,18 мГн | 2,97 мГн |
| Удерживающий момент | 6 Н·м | 4,4 Н·м |
| Инерция ротора | 2700 г·см² | 2700 г·см² |
| Масса | 4,7 кг | 4,7 кг |
| Диаметр кабеля | 5,0 мм | 5,0 мм |
