Описание
Серводвигатели KECM для экстремальных условий
Надёжные серводвигатели для работы в вакууме, при криогенных и высоких температурах, высокой влажности, вибрациях и ударах.
Серводвигатели серии KECM специально разработаны для экстремальных условий:
-
Вакуум до 10⁻³ Па
-
Криогенные температуры до –60 °C
-
Высокие температуры до +120 °C
Основные характеристики
-
Номинальная мощность: 100 / 200 / 400 / 750 / 1000 / 1800 / 3800 Вт
-
Напряжение обмотки: 24 В DC, 48 В DC, 220 В AC, 380 В AC
-
Обратная связь по положению: резольвер или многооборотный абсолютный энкодер с редуктором
-
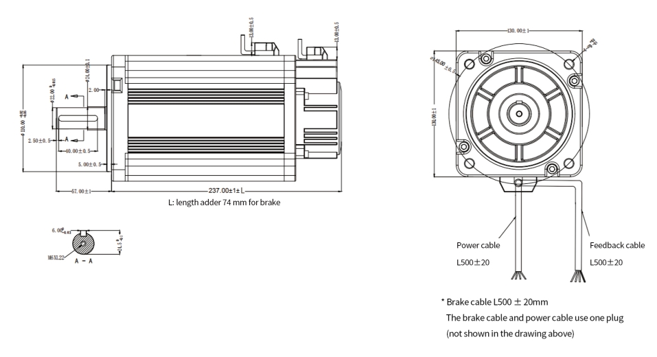
Опции: безопасный тормоз
-
Предварительно собранные кабели для питания и обратной связи, готовые к использованию
Ключевые преимущества
-
Высокая точность и надёжность даже в экстремальных условиях
-
Устойчивость к вакууму, криогенным и высокотемпературным режимам
-
Защита от вибраций и ударов
-
Возможность интеграции безопасного тормоза и редуктора
Области применения
-
Биомедицинское оборудование
-
Производство полупроводников и электроники (3C)
-
Научные приборы и вакуумное оборудование
-
Ядерная энергетика
-
Военная и аэрокосмическая промышленность
-
Тестирование автомобильных деталей
-
Общая автоматизация
КЭЦМ-XX-100
Номинальная мощность: 100 Вт
| Номинальная мощность (В) |
Напряжение обмотки (В) |
Номинальный крутящий момент (Нм) |
Пиковый крутящий момент (Нм) |
Номинальная скорость (об/мин) |
Максимальная скорость (об/мин) |
Номинальный ток (Оружие) |
Пиковый ток (Оружие) |
Сопротивление катушки (Ой) |
Индуктивность катушки (мГн) |
| КЭЦМ-24-100 | 24 В постоянного тока | 0,32 | 0,96 | 3000 | 5000 | 1.0 | 3.0 | 16 | 5.5 |
| КЭЦМ-220-100 | 220 В переменного тока | 0,32 | 0,96 | 3000 | 5000 | 1.0 | 3.0 | 16 | 5.5 |
| Постоянная скорость (V/krpm) |
Крутящий момент постоянен. (Н·м/А) |
Инерция (кг·см²) |
Масса (Кг) |
Механическая постоянная времени (РС) |
Электрическая постоянная времени (РС) |
Осевая нагрузка (Н) |
Радиальная нагрузка (Н) |
Безопасный тормоз | Влажность окружающей среды |
| 21.00 | 0,32 | 0,04 | 0,5 | 2.9 | 0,34 | 40 | 25 | 24 В постоянного тока, ≥1 А | 95% отн. влажн. |
| 21.00 | 0,32 | 0,04 | 0,5 | 2.9 | 0,34 | 40 | 25 | 24 В постоянного тока, ≥1 А | 95% отн. влажн. |

КЭЦМ-24-200
Номинальная мощность 200 Вт, напряжение питания 24 В постоянного тока
| Номинальная мощность (В) |
Напряжение обмотки (В) |
Номинальный крутящий момент (Нм) |
Пиковый крутящий момент (Нм) |
Номинальная скорость (об/мин) |
Максимальная скорость (об/мин) |
Номинальный ток (Оружие) |
Пиковый ток (Оружие) |
Инерция (кг·см²) |
Масса (Кг) |
| КЭЦМ-24-200 | 24 В постоянного тока | 0,64 | 1.92 | 3000 | 3500 | 11 | 33 | 0,18 | 1.4 |

KECM-XX-400
Номинальная мощность 400 Вт, напряжение обмотки 24 В постоянного тока, 48 В постоянного тока или 220 В переменного тока
| Номинальная мощность (В) |
Напряжение обмотки (В) |
Номинальный крутящий момент (Нм) |
Пиковый крутящий момент (Нм) |
Номинальная скорость (об/мин) |
Максимальная скорость (об/мин) |
Номинальный ток (Оружие) |
Пиковый ток (Оружие) |
Инерция (кг·см²) |
Масса (Кг) |
| КЭЦМ-24-400 | 24 В постоянного тока | 1.27 | 3.8 | 3000 | 3500 | 21 | 33 | 0,28 | 1.3 |
| КЭЦМ-48-400 | 48 В постоянного тока | 1.27 | 3.81 | 3000 | 3500 | 11 | 33 | 0,28 | 1.4 |
| КЭЦМ-220-400 | 220 В переменного тока | 1.27 | 3.8 | 3000 | 3500 | 2.80 | 8.40 | 0,28 | 1.4 |
KECM-XX-750
Номинальная мощность 750 Вт, напряжение обмотки 48 В постоянного тока или 220 В переменного тока
| Номинальная мощность (В) |
Напряжение обмотки (В) |
Номинальный крутящий момент (Нм) |
Пиковый крутящий момент (Нм) |
Номинальная скорость (об/мин) |
Максимальная скорость (об/мин) |
Номинальный ток (Оружие) |
Пиковый ток (Оружие) |
Инерция (кг·см²) |
Масса (Кг) |
| КЭЦМ-48-750 | 48 В постоянного тока | 2.39 | 7.1 | 3000 | 3500 | 16 | 48 | 0,92 | 3.25 |
| КЭЦМ-48-750 | 220 В переменного тока | 2.39 | 7.1 | 3000 | 3500 | 3 | 9 | 1.12 | 2.65 |

KECM-XX-1000
Номинальная мощность 1000 Вт, напряжение обмотки 48 В постоянного тока или 220 В переменного тока
| Номинальная мощность (В) |
Напряжение обмотки (В) |
Номинальный крутящий момент (Нм) |
Пиковый крутящий момент (Нм) |
Номинальная скорость (об/мин) |
Максимальная скорость (об/мин) |
Номинальный ток (Оружие) |
Пиковый ток (Оружие) |
Инерция (кг·см²) |
Масса (Кг) |
| КЭЦМ-48-1000 | 48 В постоянного тока | 3.18 | 6.3 | 3000 | 3500 | 27 | 54 | 1.36 | 2.8 |
| КЭЦМ-220-1000 | 220 В переменного тока | 4.5 | 13.6 | 2500 | 3500 | 4.4 | 13.5 | 1.36 | 3.08 |

КЭЦМ-380-1800
Номинальная мощность 1800 Вт, напряжение обмотки 380 В переменного тока
| Номинальная мощность (В) |
Напряжение обмотки (В) |
Номинальный крутящий момент (Нм) |
Пиковый крутящий момент (Нм) |
Номинальная скорость (об/мин) |
Максимальная скорость (об/мин) |
Номинальный ток (Оружие) |
Пиковый ток (Оружие) |
Инерция (кг·см²) |
Масса (Кг) |
| КЭЦМ-380-1800 | 380 В переменного тока | 6 | 18 | 3000 | 3500 | 3.5 | 10.5 | 5.0 | 6.75 |

КЭЦМ-380-3800
Номинальная мощность 3800 Вт, напряжение обмотки 380 В переменного тока
| Номинальная мощность (В) |
Напряжение обмотки (В) |
Номинальный крутящий момент (Нм) |
Пиковый крутящий момент (Нм) |
Номинальная скорость (об/мин) |
Максимальная скорость (об/мин) |
Номинальный ток (Оружие) |
Пиковый ток (Оружие) |
Инерция (кг·см²) |
Масса (Кг) |
| КЭЦМ-380-3800 | 380 В переменного тока | 15 | 30 | 2500 | 2800 | 8 | 16 | 11.2 | 10.9 |
