- Код 12905
-
Бренд
Shaanxi Fullstar Electronics Co.,Ltd
-
Страна
Китай
- Вес с упаковкой 20 г
- Габариты с упаковкой 10x10x10 см
Описание
Индукторы серии SSCD — это SMD неэкранированные силовые индукторы с керамическим корпусом и структурой с проволочной обмоткой. Благодаря использованию керамики обеспечивается высокий уровень резонансной частоты (SRF) и стабильность параметров.
Данные индукторы разработаны для применения в высокочастотных схемах: фильтрах, цепях согласования импеданса, резонансных контурах и дросселях. Они идеально подходят для РЧ-проектировщиков, обеспечивая надежную работу в телекоммуникационных и беспроводных устройствах.
Компания предлагает как стандартные модели серии SSCD, так и индивидуальные решения, разработанные под требования заказчика.
Особенности и преимущества
-
Соответствие стандарту RoHS
-
Керамический корпус и намотка из проволоки обеспечивают высокий SRF
-
Сверхкомпактный размер и высокая добротность даже на больших частотах
-
Немагнитная конструкция катушки — максимальная термическая стабильность и предсказуемость параметров
-
Серия SSCD — стандартное решение для RF-разработчиков
Области применения
-
Радиочастотные устройства
-
Модули сотовых телефонов и GPS-приёмников
-
Базовые станции и ретрансляторы
-
Беспроводные сети (Wi-Fi, Bluetooth)
-
Радиомыши, клавиатуры, наушники, пульты дистанционного управления
-
Системы безопасности и другие RF-модули
Индивидуальные решения
По запросу возможно изготовление индукторов на заказ, с параметрами, оптимизированными под конкретное приложение или проект.
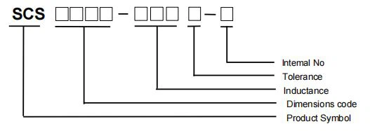
Идентификация продукта

Формы и размеры / Рекомендуемый узор

| Модель | Единицы | A Max | B Max | C Max | D | E | F | G | H | I | J |
|---|---|---|---|---|---|---|---|---|---|---|---|
| SCS0402 | inch | 0.047 | 0.028 | 0.026 | 0.010 | 0.020 | 0.009 | 0.022 | 0.026 | 0.014 | 0.018 |
| mm | 1.19 | 0.70 | 0.66 | 0.25 | 0.51 | 0.23 | 0.56 | 0.66 | 0.36 | 0.46 | |
| SCS0805 | inch | 0.093 | 0.068 | 0.060 | 0.028 | 0.050 | 0.020 | 0.040 | 0.070 | 0.040 | 0.030 |
| mm | 2.35 | 1.73 | 1.52 | 0.71 | 1.27 | 0.51 | 1.02 | 1.78 | 1.02 | 0.76 | |
| SCS1008 | inch | 0.115 | 0.110 | 0.083 | 0.046 | 0.080 | 0.020 | 0.060 | 0.100 | 0.040 | 0.050 |
| mm | 2.92 | 2.79 | 2.10 | 1.16 | 2.03 | 0.51 | 1.52 | 2.54 | 1.02 | 1.27 | |
| SCS0603 | mm | 1.6⁺⁰·²₋⁰·¹ | 1.02 ± 0.1 | 0.82⁺⁰·²₋⁰·¹ | 0.51 | 0.76 | 0.33 | 0.86 | 1.02 | 0.64 | 0.64 |