- Код 12903
-
Бренд
Renesas Electronics Corporation
-
Страна
Китай
- Вес с упаковкой 20 г
- Габариты с упаковкой 10x10x10 см
Описание
IPS2200 – Индуктивная микросхема датчика положения
Описание:
IPS2200 — это промышленный индуктивный датчик положения, обеспечивающий точное бесконтактное определение абсолютного положения ротора. Он формирует аналоговые сигналы синуса и косинуса, соответствующие положению металлической мишени.
Работа основана на принципе вихревых токов, поэтому датчик не требует магнитных элементов и обладает высокой устойчивостью к внешним магнитным полям, вибрациям и загрязнениям.
IPS2200 идеально подходит для коммутации высокоскоростных электродвигателей (до 250 000 об/мин электрически) и является компактной, лёгкой и экономичной заменой резольверов в промышленных, медицинских, робототехнических и бытовых приложениях.
Основные характеристики
-
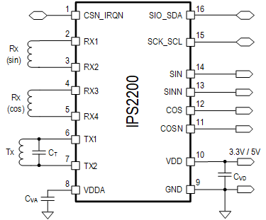
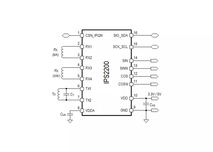
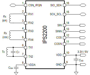
Интерфейс: Sin/Cos (однотактный или дифференциальный)
-
Промышленная квалификация
-
Диапазон температур: от -40 °C до +125 °C (окружающая среда)
-
Напряжение питания:
-
3.3 В ±10%
-
5.0 В ±10%
-
-
Скорость вращения: до 250 000 об/мин (электрически)
-
Задержка распространения сигнала: программируемая, < 10 мкс
-
Компенсация ошибок: коррекция несоответствия усилений и смещений синус/косинус
-
Защита: от перенапряжения, переполюсовки и короткого замыкания
-
Цифровой интерфейс программирования: I²C или SPI
-
Инкрементальные выходы: импульсные сигналы A/B
-
Корпус: TSSOP-16
Электрические и механические параметры
| Параметр | Значение |
| Функция | Датчик положения |
| Напряжение питания (В) | 3.0–3.6 или 4.5–5.5 |
| Интерфейс | Sin/Cos |
| Температурный диапазон | -40 °C … +125 °C |
| Корпус | 16-TSSOP (5.0 × 4.4 × 1.0 мм, шаг 0.65 мм) |
Применение
-
Определение положения ротора в бесщёточных двигателях (BLDC) с любым числом пар полюсов
-
Замена резольверов (без магнитов)
-
Высокоскоростная коммутация электродвигателей
-
Робототехника, медицина, промышленная автоматизация
-
Датчики скорости вращения ротора без магнитных компонентов
Преимущества
-
Отсутствие магнитов → невосприимчивость к внешним магнитным полям
-
Компактность и малый вес → упрощает конструкцию устройства
-
Программируемая задержка и коррекция усилений → улучшенное качество сигнала
-
Высокая надёжность в промышленных условиях

